Phoenix NEO

Ultra-precision Filtration Coolant System

Ultra-precision filtration system that uses steel balls as the filter medium.
The filter media is automatically cleaned by performing operations on the touch panel.
Optimum for grinding sludge processing on honing machines and super-finishing machines.

Features

Coolant

Water soluble Oli-based

Category

Magnetic material

Processing Details

Grinding

Work Material

FC/FCD Steel

Chip Shape

Grinding Chip Size

Ultrafine particles (5 μm to 10 μm) Fine particles (10 μm to 100 μm)

Machine Tool

Honing machine Super finishing machine (Super finisher)

Mechanism

  1. A vortex is generated when the dirty liquid flows into the primary tank.With its centripetal force*, sludge accumulates in the center of the tank.
    * Refers to the force that acts toward the center of the circle.Vortex.
  2. The YA supply pump in the center of the tank pumps the accumulated sludge.
  3. The dirty liquid flows into the filtration tank with the magnetized filter medium (steel ball). Sludge is adsorbed and filtered as it passes through the filter medium (steel balls).
  4. The clean liquid is sent to the secondary tank.
  5. The filter medium (steel ball) is demagnetized to remove the sludge adsorbed on the filter medium (steel ball). Clean the filter medium (steel ball) using the clean liquid remaining in the filtration tank.
  6. After the filter medium is cleaned, the liquid mixed with sludge is supplied to the magnet separator to act as a drain.
  7. The drain is filtered by the magnetic separator. The sludge is discharged to the outside of the main body, and the clean liquid is sent to the primary tank.
  8. The clean liquid from YA is stored in the secondary tank and supplied to the machine.
PXK Sludge Distribution
PXH Sludge Distribution
PXH Sludge Distribution
PXH Sludge Distribution
PXH Sludge Distribution
PXH Sludge Distribution

Before-and-after coolant status by filtration

Left: Before - Dirty liquid

Right: After - Clean liquid

* This is the result of our experiments, and it does not imply that this level of cleaning ability has been verified.

PXH Sludge Distribution

Specifications

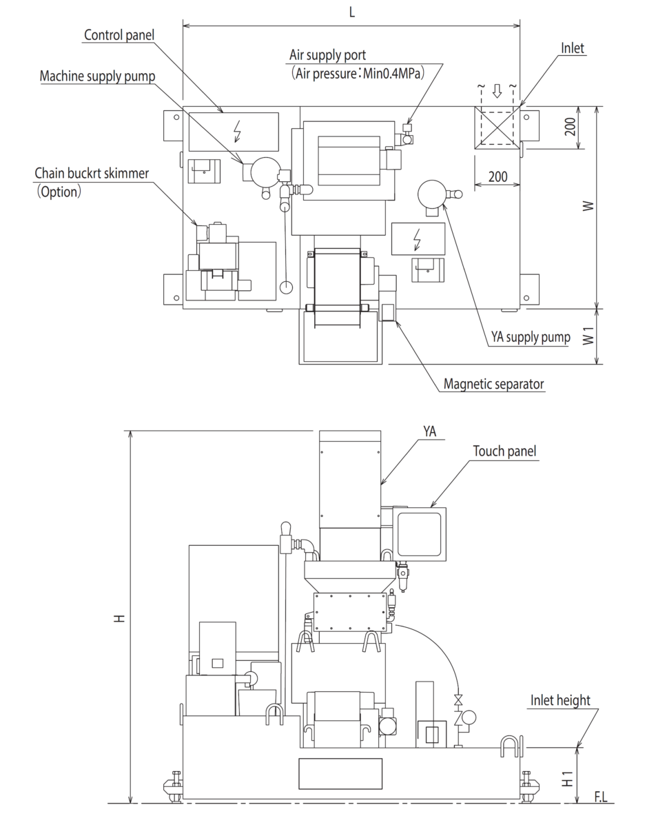
Dimensional drawing

PXK Sludge Distribution

Dimension table

PXH Sludge Distribution

Filtration accuracy

5 μm 90% or more

* The filtration accuracy is based on the results of our experiments, and does not imply that this level of accuracy is guaranteed.

Sludge distribution status

Machine tool: Grinding machine
Coolant: Water soluble
Processing flow rate: 50 L/min
Chip material: FC

PXH Sludge Distribution

Processing flow rate

Water soluble

Oil-based (10 mm2/s or less)

Oil-based (11 to 20 mm2/s)

* When the oil viscosity exceeds 20 mm 2/s, please consult us.
* The oil viscosity is the value at 40℃.

Product weight

Water soluble

Oil-based

* The product weight varies depending on the specifications, options, etc.

Paint color

Silver gray (Munsell No. N-8.0)

* For information about the specified color, please consult us.

Model code

Comparison with Old Models Table

* The filtration accuracy is based on the results of our experiments, and does not imply that this level of accuracy is guaranteed.
* The specifications and dimensions are subject to change without notice.
* When the oil viscosity exceeds 20 mm 2/s, please consult us.
* The oil viscosity is the value at 40℃.
* For information about custom products other than standard products, please consult us.